Sliding Systems are pleased to announce the appointment of Ross Roark as the new US based Techn...
The UTILITY RED FULLY LOCKING slide has been developed for the emergency and commercial vehicle market to suit light to medium drawers and racking. It has a bright red front lever handle which disconnects and connects the locking facility in the closed and fully extended positions. This is a lightweight hollow section slide with a maximum 100kg load capacity at full extension. The slides are easy to fit with the locking device being integrated into the beams. A pair of 450mm long slides have been bench tested to 50,000 cycles with a 100kg load applied. These are highly recommended for lighter duty, pick-up and utility truck drawers which need to be locked in the stowed and fully extended positions via a front activated latch. UTILITY Red telescopic slides are sold as Left & Right handed pairs, so order one unit if a pair is required
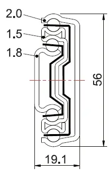
Full details of the fixing patterns and lengths and loads are set out on the datasheet. Bright zinc plated mild steel with positive stops in the closed and fully extended positions. The bearings are hardened steel with chrome plate. The locking lever is made from hi-visibility red nylon on steel. Dimensions are for the closed length of the slide body. Add 34mm for the red front latch, which controls locking in the closed and fully extended positions.
Prices and load ratings are per pair. They are sold as LH & RH pairs. Discounts for volume are available online. Loads are stated at full extension when the slide is uniformly mounted on the direct axis (not flat). For applications involving higher loads up to 250kg, we recommend either fully locking steel CONRED or stainless steel CONBLX slides.
SOLD PER PAIR (LH & RH). OEM volume discounts upon application. The UTILITY Red locking slide can be purchased online, for global delivery by following this link. The UTILITY Red is stocked across key lengths in volume.
Code | Closed Length (mm) | Extension (mm) | Max Load Capacity (kg) |
|---|---|---|---|
| 4005.UTILRED.0450 | 450mm | 450mm | 100kg |
| 4005.UTILRED.0500 | 500mm | 500mm | 100kg |
| 4005.UTILRED.0550 | 550mm | 550mm | 100kg |
| 4005.UTILRED.0600 | 600mm | 600mm | 90kg |
| 4005.UTILRED.0650 | 650mm | 650mm | 90kg |
| 4005.UTILRED.0700 | 700mm | 700mm | 85kg |
| 4005.UTILRED.0750 | 750mm | 750mm | 85kg |
| 4005.UTILRED.0800 | 800mm | 800mm | 80kg |
| 4005.UTILRED.0850 | 850mm | 850mm | 80kg |
| 4005.UTILRED.0900 | 900mm | 900mm | 70kg |
| 4005.UTILRED.0950 | 950mm | 950mm | 70kg |
| 4005.UTILRED.1000 | 1000mm | 1000mm | 70kg |
Data Sheet & main product information -